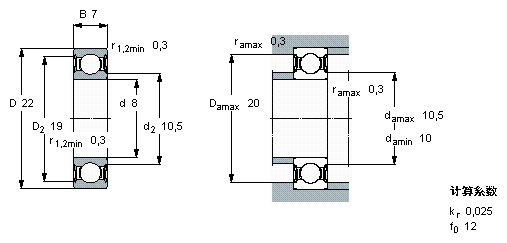
SKF W608-2RS1尺寸参数
- 主要尺寸
- W 608-2RS1
- 8
- mm
- D
- 22
- mm
- B
- 7
- mm
- 基本额定载荷
- C
- 2760
- N
- 动载荷
- C0
- 1320
- N
- 静载荷
- 疲劳载荷极限
- Pu
- 57
- N
- 额定转速
- 参考转速
- -
- r/min
- 极限转速
- 22000
- r/min
- 重量
- 重量
- 13
- g
- 型号
- 型号
- W 608-2RS1
- -
SKF W608-2RS1相关型号
| SKF型号 | 品牌 | 内径(mm) | 外径(mm) | 厚度(mm) |
| 608 | SKF | 8 | 22 | 7 |
| 608-2RSH/W64 | SKF | 8 | 22 | 7 |
| 608-2Z/C3WT | SKF | 8 | 22 | 7 |
| 708CD/P4A | SKF | 8 | 22 | 7 |
| 608/HR11QN | SKF | 8 | 22 | 7 |
| 708CE/P4AH | SKF | 8 | 22 | 7 |
| 608-RSH | SKF | 8 | 22 | 7 |
| 708CD/HCP4AH | SKF | 8 | 22 | 7 |
| 608-RSL | SKF | 8 | 22 | 7 |
| 708ACE/P4A | SKF | 8 | 22 | 7 |
| 608/HR22T2 | SKF | 8 | 22 | 7 |
| 708ACD/P4AH | SKF | 8 | 22 | 7 |
| 708CE/P4A | SKF | 8 | 22 | 7 |
| 708ACE/HCP4A | SKF | 8 | 22 | 7 |
| 708ACD/HCP4AH | SKF | 8 | 22 | 7 |
| 608-2Z | SKF | 8 | 22 | 7 |
| 608-Z/W64 | SKF | 8 | 22 | 7 |
| 708ACE/P4AH | SKF | 8 | 22 | 7 |
| W608 | SKF | 8 | 22 | 7 |
| 608-2RSLTN9/HC5C3WTF1 | SKF | 8 | 22 | 7 |






