SKF轴承 > 不锈钢单列深沟球轴承 > W6004-2RS1
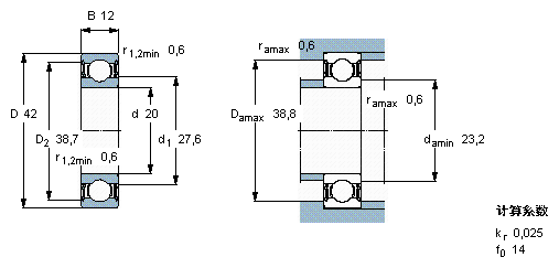
SKF W6004-2RS1尺寸参数
- 主要尺寸
- W 6004-2RS1
- 20
- mm
- D
- 42
- mm
- B
- 12
- mm
- 基本额定载荷
- C
- 7930
- N
- 动载荷
- C0
- 4900
- N
- 静载荷
- 疲劳载荷极限
- Pu
- 212
- N
- 额定转速
- 参考转速
- -
- r/min
- 极限转速
- 11000
- r/min
- 重量
- 重量
- 69
- g
- 型号
- 型号
- W 6004-2RS1
- -
SKF W6004-2RS1相关型号
| SKF型号 | 品牌 | 内径(mm) | 外径(mm) | 厚度(mm) |
| 6004/W64 | SKF | 20 | 42 | 12 |
| 7004ACE/P4AL | SKF | 20 | 42 | 12 |
| 6004-2RSH/W64 | SKF | 20 | 42 | 12 |
| S7004CE/HCP4A | SKF | 20 | 42 | 12 |
| W6004-2Z | SKF | 20 | 42 | 12 |
| 6004-2RSLTN9/HC5C3WT | SKF | 20 | 42 | 12 |
| S7004CD/P4A | SKF | 20 | 42 | 12 |
| 6004-RSH | SKF | 20 | 42 | 12 |
| 6004N | SKF | 20 | 42 | 12 |
| 6004-RSL | SKF | 20 | 42 | 12 |
| 6004-2RSL | SKF | 20 | 42 | 12 |
| 7004ACD/P4AH | SKF | 20 | 42 | 12 |
| S7004ACE/P4A | SKF | 20 | 42 | 12 |
| S7004ACD/HCP4A | SKF | 20 | 42 | 12 |
| 7004ACE/P4A | SKF | 20 | 42 | 12 |
| 7004CE/HCP4AL1 | SKF | 20 | 42 | 12 |
| 6004-2Z | SKF | 20 | 42 | 12 |
| 6004-2Z/VA208 | SKF | 20 | 42 | 12 |
| W6004 | SKF | 20 | 42 | 12 |
| 7004CD/P4A | SKF | 20 | 42 | 12 |






