SKF T2ED050/Q尺寸参数
- 主要尺寸
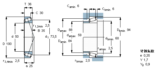
- d
- 50
- mm
- D
- 100
- mm
- T
- 36
- mm
- 基本额定载荷
- C
- 154000
- N
- 动载荷
- C0
- 200000
- N
- 静载荷
- 疲劳载荷极限
- Pu
- 22400
- N
- 额定转速
- 参考转速
- 5000
- r/min
- 极限转速
- 7500
- r/min
- 重量
- 重量
- 1300
- g
- 型号
- * SKF 探索者轴承
- T2ED 050/Q
- -
SKF T2ED050/Q相关型号
| SKF型号 | 品牌 | 内径(mm) | 外径(mm) | 厚度(mm) |
| T2ED050/Q | SKF | 50 | 100 | 36 |






