SKF SYNT90LTS尺寸参数
- 主要尺寸
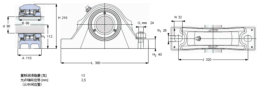
- d
- 90
- mm
- A
- 110
- mm
- H
- 216
- mm
- H1
- 112
- mm
- L
- 380
- mm
- 基本额定载荷
- C
- 325000
- N
- 动载荷
- C0
- 375000
- N
- 静载荷
- 疲劳载荷极限
- Pu
- 39000
- N
- 极限转速
- 极限转速
- 2800
- r/min
- 重量
- 重量
- 21000
- g
- 型号
- 型号
- SYNT 90 LTS
- -
- 基本轴承型号
- 基本轴承型号
- 22218 E
- -
SKF SYNT90LTS相关型号
| SKF型号 | 品牌 | 内径(mm) | 外径(mm) | 厚度(mm) |
| 85814 | SKF | |||
| 27x43x7HMSA10RG | SKF | |||
| 10x20x6HMSA10V | SKF | |||
| 40x59x8HMS5V | SKF | |||
| 455VER | SKF | |||
| 15298 | SKF | |||
| 7417 | SKF | |||
| FSYE2.3/4-18 | SKF | |||
| 31269 | SKF | |||
| 22222E | SKF | |||
| 270X335X18HDS1R | SKF | |||
| 6231 | SKF | |||
| 522676 | SKF | |||
| 38X60X8CRW1R | SKF | |||
| 22315EK | SKF | |||
| YET204 | SKF | |||
| 49951 | SKF | |||
| OKBS135 | SKF | |||
| PDNB305 | SKF | |||
| SY30TF/VA201 | SKF |






