SKF轴承 > 用于高温应用场合的Y轴承单元,立式轴承单元 > SY60TF/VA201
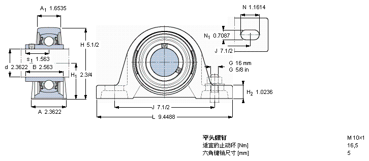
SKF SY60TF/VA201尺寸参数
- 主要尺寸
- d
- 60
- mm
- A
- 60
- mm
- H
- 139.7
- mm
- H1
- 69.85
- mm
- L
- 240
- mm
- 基本额定载荷
- C0
- 36000
- N
- 静载荷
- 重量
- 重量
- 4450
- g
- 型号
- 轴承单元
- SY 60 TF/VA201
- -
- 轴承座
- SY 512 U/VA228
- -
- 轴承
- YAR 212-2FW/VA201
- -
SKF SY60TF/VA201相关型号
| SKF型号 | 品牌 | 内径(mm) | 外径(mm) | 厚度(mm) |
| 740X790X25HDS2R | SKF | |||
| 23064CCK/W33 | SKF | |||
| SYE3.7/16H-3 | SKF | |||
| FSNL513-611 | SKF | |||
| 90023 | SKF | |||
| SY3/4TF/AH | SKF | |||
| FYNT65F | SKF | |||
| 22338CC/W33 | SKF | |||
| 7408 | SKF | |||
| FYTM1.15/16TF | SKF | |||
| FSYE4.7/16 | SKF | |||
| 524219 | SKF | |||
| FYC50WF | SKF | |||
| 70034 | SKF | |||
| 15298 | SKF | |||
| 26297 | SKF | |||
| SYR3. | SKF | |||
| 1588332 | SKF | |||
| 1850549 | SKF | |||
| 27x43x7HMSA10V | SKF |






