SKF SHT95尺寸参数
- 主要尺寸
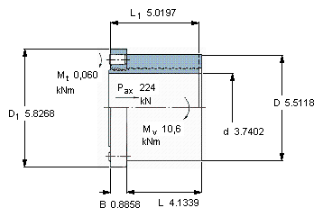
- d
- 95
- mm
- D
- 140
- mm
- D1
- 148
- mm
- L
- 105
- L1
- 127.5
- B
- 22.5
- 锁定螺钉
- 序号
- 12
- -
- 尺寸
- M 12x25
- -
- 锁紧扭矩
- 锁紧扭矩
- 0.06
- kNm
- 最大扭矩
- 最大扭矩
- 10.6
- kNm
- 最大轴向承载能力
- 最大轴向承载能力
- 224000
- N
- 型号
- 开槽的
- SHT 95
- -
- 不带槽
- SHR 95
- -
SKF SHT95相关型号
| SKF型号 | 品牌 | 内径(mm) | 外径(mm) | 厚度(mm) |
| 92532 | SKF | |||
| 73730 | SKF | |||
| 550VRMR | SKF | |||
| C2244K | SKF | |||
| PFD30FM | SKF | |||
| 22367 | SKF | |||
| 370VRMER | SKF | |||
| 23072CC/W33 | SKF | |||
| 11081 | SKF | |||
| 1280VER | SKF | |||
| 48X65X10HMS5RG | SKF | |||
| SYE1.7/16NH | SKF | |||
| XHCE070/OK180 | SKF | |||
| 32x44x7HMSA10RG | SKF | |||
| 99463 | SKF | |||
| FYM2.1/2TF | SKF | |||
| 48X79X17.5CRSA1P | SKF | |||
| 45X72X10HMSA10V | SKF | |||
| YAT203 | SKF | |||
| FYTL40THR | SKF |






