SKF SHT42尺寸参数
- 主要尺寸
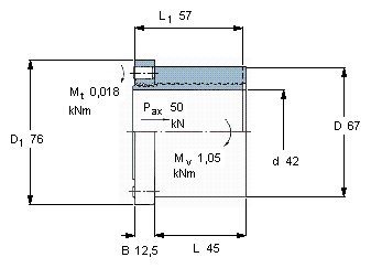
- d
- 42
- mm
- D
- 67
- mm
- D1
- 76
- mm
- L
- 45
- L1
- 57
- B
- 12.5
- 锁定螺钉
- 序号
- 6
- -
- 尺寸
- M 8x16
- -
- 锁紧扭矩
- 锁紧扭矩
- 0.018
- kNm
- 最大扭矩
- 最大扭矩
- 1.05
- kNm
- 最大轴向承载能力
- 最大轴向承载能力
- 50000
- N
- 型号
- 开槽的
- SHT 42
- -
- 不带槽
- SHR 42
- -
SKF SHT42相关型号
| SKF型号 | 品牌 | 内径(mm) | 外径(mm) | 厚度(mm) |
| PDRJ318 | SKF | |||
| 20x34x7HMS5RG | SKF | |||
| SYJ30TF | SKF | |||
| 350VLV | SKF | |||
| 1100VAR | SKF | |||
| SNL3264GL | SKF | |||
| 7417 | SKF | |||
| 11123 | SKF | |||
| SYR2.7/16 | SKF | |||
| PDNB218 | SKF | |||
| PFD7/8TF | SKF | |||
| 2050557 | SKF | |||
| 250X280X16HDS1D | SKF | |||
| 25748 | SKF | |||
| SNL3188GL | SKF | |||
| 42X66X10HMSA10V | SKF | |||
| 99212 | SKF | |||
| 12x30x7HMS5RG | SKF | |||
| 20x32x7HMS5RG | SKF | |||
| 40VAV | SKF |






