SKF SHT38尺寸参数
- 主要尺寸
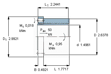
- d
- 38
- mm
- D
- 67
- mm
- D1
- 76
- mm
- L
- 45
- L1
- 57
- B
- 12.5
- 锁定螺钉
- 序号
- 6
- -
- 尺寸
- M 8x16
- -
- 锁紧扭矩
- 锁紧扭矩
- 0.018
- kNm
- 最大扭矩
- 最大扭矩
- 0.95
- kNm
- 最大轴向承载能力
- 最大轴向承载能力
- 50000
- N
- 型号
- 开槽的
- SHT 38
- -
- 不带槽
- SHR 38
- -
SKF SHT38相关型号
| SKF型号 | 品牌 | 内径(mm) | 外径(mm) | 厚度(mm) |
| 34x44x8HMS5RG | SKF | |||
| 33x45x7HMS5RG | SKF | |||
| 35x52x8HMSA10RG | SKF | |||
| FYJ65KF | SKF | |||
| FYJ90TF | SKF | |||
| 5067 | SKF | |||
| 23192CA/W33 | SKF | |||
| 330X370X18HDS2R | SKF | |||
| FYTL3/4THR | SKF | |||
| 46144 | SKF | |||
| 18x47x6HMS5RG | SKF | |||
| PF1.11/16RM | SKF | |||
| 99700 | SKF | |||
| SNL515TURU | SKF | |||
| 70X90X7HMSA10RG1 | SKF | |||
| 1750VLR | SKF | |||
| 546953 | SKF | |||
| OKCX680 | SKF | |||
| 38x72x10HMSA10RG | SKF | |||
| SYR1.1/2 | SKF |






