SKF SHT30尺寸参数
- 主要尺寸
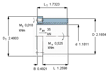
- d
- 30
- mm
- D
- 55
- mm
- D1
- 63
- mm
- L
- 32
- L1
- 44
- B
- 12.5
- 锁定螺钉
- 序号
- 4
- -
- 尺寸
- M 8x16
- -
- 锁紧扭矩
- 锁紧扭矩
- 0.018
- kNm
- 最大扭矩
- 最大扭矩
- 0.525
- kNm
- 最大轴向承载能力
- 最大轴向承载能力
- 35000
- N
- 型号
- 开槽的
- SHT 30
- -
- 不带槽
- SHR 30
- -
SKF SHT30相关型号
| SKF型号 | 品牌 | 内径(mm) | 外径(mm) | 厚度(mm) |
| 15788 | SKF | |||
| C2314 | SKF | |||
| 20x42x10HMS5RG | SKF | |||
| 65X80X8HMS5RG | SKF | |||
| 2075562 | SKF | |||
| OKTC565 | SKF | |||
| 1400588 | SKF | |||
| 40X80X10HMS5V | SKF | |||
| SNL230/530LTURT | SKF | |||
| C2228 | SKF | |||
| 23156CCK/W33 | SKF | |||
| 41186 | SKF | |||
| 40X56X8HMSA10V | SKF | |||
| FYM2.15/16TF/AH | SKF | |||
| 19834 | SKF | |||
| SNL3288L | SKF | |||
| 6767 | SKF | |||
| 1400234 | SKF | |||
| 23232CCK/W33 | SKF | |||
| 6248 | SKF |






