SKF SHT160尺寸参数
- 主要尺寸
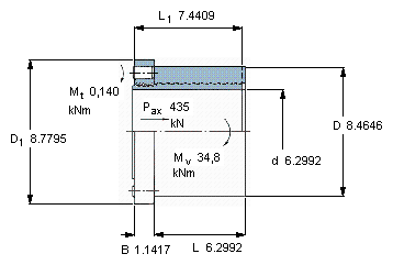
- d
- 160
- mm
- D
- 215
- mm
- D1
- 223
- mm
- L
- 160
- L1
- 189
- B
- 29
- 锁定螺钉
- 序号
- 14
- -
- 尺寸
- M 16x30
- -
- 锁紧扭矩
- 锁紧扭矩
- 0.14
- kNm
- 最大扭矩
- 最大扭矩
- 34.8
- kNm
- 最大轴向承载能力
- 最大轴向承载能力
- 435000
- N
- 型号
- 开槽的
- SHT 160
- -
- 不带槽
- SHR 160
- -
SKF SHT160相关型号
| SKF型号 | 品牌 | 内径(mm) | 外径(mm) | 厚度(mm) |
| SYM3.TF/AH | SKF | |||
| PFD1.1/16FM | SKF | |||
| 22317EK | SKF | |||
| 300VRMER | SKF | |||
| 36363 | SKF | |||
| YAR206-2F | SKF | |||
| 18X24X3HM4R | SKF | |||
| SYH1.3/4FM | SKF | |||
| 60X90X8HMS5RG | SKF | |||
| 160VSR | SKF | |||
| 37387 | SKF | |||
| SNL3048 | SKF | |||
| 99831 | SKF | |||
| PFD1/2FM | SKF | |||
| SYNT100FW | SKF | |||
| KDMS554-360/160 | SKF | |||
| SYH1.1/4AWF | SKF | |||
| 19635 | SKF | |||
| 18924 | SKF | |||
| 105010 | SKF |






