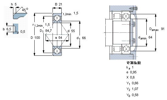
SKF QJ211N2MA尺寸参数
- 主要尺寸
- QJ 211 N2MA *
- 55
- mm
- D
- 100
- mm
- B
- 21
- mm
- 基本额定载荷
- C
- 85000
- N
- 动载荷
- C0
- 83000
- N
- 静载荷
- 疲劳载荷极限
- Pu
- 3550
- N
- 额定转速
- 参考转速
- 8000
- r/min
- 极限转速
- 11000
- r/min
- 重量
- 重量
- 770
- g
- 型号
- * SKF 探索者轴承
- QJ 211 N2MA *
- -
SKF QJ211N2MA相关型号
| SKF型号 | 品牌 | 内径(mm) | 外径(mm) | 厚度(mm) |
| NUP211ECML | SKF | 55 | 100 | 21 |
| 6211-2Z | SKF | 55 | 100 | 21 |
| 6211/HR11TN | SKF | 55 | 100 | 21 |
| 6211/HR22T2 | SKF | 55 | 100 | 21 |
| QJ211N2MA | SKF | 55 | 100 | 21 |
| 1726211-2RS1 | SKF | 55 | 100 | 21 |
| S7211ACD/HCP4A | SKF | 55 | 100 | 21 |
| 6211-2Z/VA201 | SKF | 55 | 100 | 21 |
| NUP211ECM | SKF | 55 | 100 | 21 |
| 7211BEY | SKF | 55 | 100 | 21 |
| 6211/W64 | SKF | 55 | 100 | 21 |
| 6211-2Z/VA228 | SKF | 55 | 100 | 21 |
| 6211-2RS1/HC5C3WT | SKF | 55 | 100 | 21 |
| 1211EKTN9 | SKF | 55 | 100 | 21 |
| 6211-2RS1/W64 | SKF | 55 | 100 | 21 |
| NU211ECP | SKF | 55 | 100 | 21 |
| NF211ECMB | SKF | 55 | 100 | 21 |
| NU211ECM | SKF | 55 | 100 | 21 |
| 211-2Z | SKF | 55 | 100 | 21 |
| 7211BEP | SKF | 55 | 100 | 21 |






