SKF轴承 > 单列圆柱滚子轴承 > NUP326ECML
SKF NUP326ECML尺寸参数
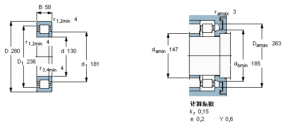
- 主要尺寸
- d
- 130
- mm
- D
- 280
- mm
- B
- 58
- mm
- 基本额定载荷
- C
- 720000
- N
- 动载荷
- C0
- 750000
- N
- 静载荷
- 疲劳载荷极限
- Pu
- 81500
- N
- 额定转速
- 参考转速
- 2400
- r/min
- 极限转速
- 3800
- r/min
- 重量
- 重量
- 19600
- g
- 型号
- * SKF 探索者轴承
- NUP 326 ECML *
- -
- 角圈
- 型号
- -
- -
SKF NUP326ECML相关型号
| SKF型号 | 品牌 | 内径(mm) | 外径(mm) | 厚度(mm) |
| 6326/C3VL2071 | SKF | 130 | 280 | 58 |
| NUP326ECP | SKF | 130 | 280 | 58 |
| NJ326ECM | SKF | 130 | 280 | 58 |
| 6326M/W64 | SKF | 130 | 280 | 58 |
| NJ326ECJ | SKF | 130 | 280 | 58 |
| NU326ECP | SKF | 130 | 280 | 58 |
| 7326BM | SKF | 130 | 280 | 58 |
| 7326BCBM | SKF | 130 | 280 | 58 |
| NU326ECM | SKF | 130 | 280 | 58 |
| N326ECM | SKF | 130 | 280 | 58 |
| NJ326ECML | SKF | 130 | 280 | 58 |
| NU326ECML | SKF | 130 | 280 | 58 |
| NUP326ECML | SKF | 130 | 280 | 58 |
| 6326M/W64 | SKF | 130 | 280 | 58 |
| NU326ECJ | SKF | 130 | 280 | 58 |
| N326ECP | SKF | 130 | 280 | 58 |
| 6326M | SKF | 130 | 280 | 58 |
| NJ326ECP | SKF | 130 | 280 | 58 |
| QJ326N2MA | SKF | 130 | 280 | 58 |






