SKF轴承 > 双列满装圆柱滚子轴承 > NNCL4832CV
SKF NNCL4832CV尺寸参数
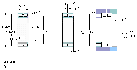
- 主要尺寸
- d
- 160
- mm
- D
- 200
- mm
- B
- 40
- mm
- 基本额定载荷
- C
- 260000
- N
- 动载荷
- C0
- 610000
- N
- 静载荷
- 疲劳载荷极限
- Pu
- 62000
- N
- 额定转速
- 参考转速
- 1400
- r/min
- 极限转速
- 1700
- r/min
- 重量
- 重量
- 2900
- g
- 型号
- 型号
- NNCL 4832 CV
- -
SKF NNCL4832CV相关型号
| SKF型号 | 品牌 | 内径(mm) | 外径(mm) | 厚度(mm) |
| NNCL4832CV | SKF | 160 | 200 | 40 |
| NNCF4832CV | SKF | 160 | 200 | 40 |
| NA4832 | SKF | 160 | 200 | 40 |
| NNC4832CV | SKF | 160 | 200 | 40 |






