SKF轴承 > 双列满装圆柱滚子轴承 > NNCF4876CV
SKF NNCF4876CV尺寸参数
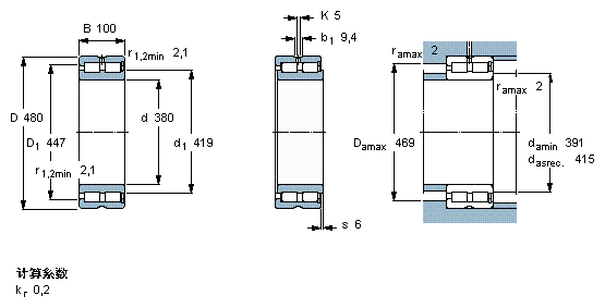
- 主要尺寸
- d
- 380
- mm
- D
- 480
- mm
- B
- 100
- mm
- 基本额定载荷
- C
- 1400000
- N
- 动载荷
- C0
- 3650000
- N
- 静载荷
- 疲劳载荷极限
- Pu
- 315000
- N
- 额定转速
- 参考转速
- 530
- r/min
- 极限转速
- 670
- r/min
- 重量
- 重量
- 44800
- g
- 型号
- 型号
- NNCF 4876 CV
- -
SKF NNCF4876CV相关型号
| SKF型号 | 品牌 | 内径(mm) | 外径(mm) | 厚度(mm) |
| NNC4876CV | SKF | 380 | 480 | 100 |
| NNU4876/W33 | SKF | 380 | 480 | 100 |
| NNU4876K/W33 | SKF | 380 | 480 | 100 |
| NNCL4876CV | SKF | 380 | 480 | 100 |
| NA4876 | SKF | 380 | 480 | 100 |
| NNCF4876CV | SKF | 380 | 480 | 100 |






