SKF轴承 > 圆柱滚子和滚针推力轴承的轴承垫圈 > LS1528

SKF LS1528尺寸参数

型号:LS1528
品牌:SKF
系列:圆柱滚子和滚针推力轴承的轴承垫圈
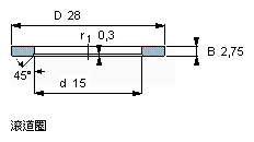
内径:15 mm
外径:28 mm
宽度:2.75 mm
起订量:≥ 1套
物流:全国配送

SKF LS1528现货供应商

我们是SKF品牌最佳代理商,与SKF厂家常年批量订购LS1528,所售产品均为原装正品,请您放心购买!

尺寸
  • d
  • 15
  • mm
  • D
  • 28
  • mm
  • B
  • 2.75
  • mm
  • d1
  • -
  • mm
  • D1
  • -
  • mm
  • r1、r1.2
  • 0.3
  • mm
重量
  • 重量
  • 9
  • g
型号
  • 型号
  • LS 1528
  • -
共 2 张 第1 张上一张 1下一张
共 2 张 第2 张上一张 2下一张
SKF  LS1528相关型号
SKF型号品牌内径(mm)外径(mm)厚度(mm)
GS81102 SKF 15 28 2.75
WS81102 SKF 15 28 2.75
LS1528 SKF 15 28 2.75
WS81102 SKF 15 28 2.75
GS81102 SKF 15 28 2.75
LS1528 SKF 15 28 2.75