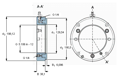
SKF HMVC26E尺寸参数
- 螺纹尺寸
- 螺纹尺寸
- 128.318
- mm
- 主要尺寸
- mm(公制尺寸)
- 5.106 in - 12
- in - 螺纹/in(英制尺寸)
- d1
- 129.54
- mm
- d2
- 190.5
- mm
- d3
- 198.12
- mm
- B
- 38.1
- mm
- B1
- 6.096
- mm
- 允许活塞位移
- 允许活塞位移
- 5.08
- mm
- 活塞面积
- mm2(公制尺寸)
- 9.9
- in2(英制尺寸)
- 重量
- 重量
- 12500
- g
- 型号
- -
- HMVC 26E
- -
- -
- -
- -
SKF HMVC26E相关型号
| SKF型号 | 品牌 | 内径(mm) | 外径(mm) | 厚度(mm) |
| HMVC26E | SKF | 128.318 | 198.12 | 38.1 |






