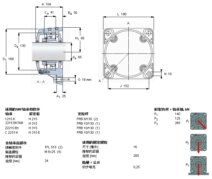
SKF FNL515B尺寸参数
- 轴
- da
- 65
- mm
- 适用的轴承
- 自调心球轴承
- 1215 K
- 2215 K
- 适用的轴承
- 球面滚子轴承
- 22215 K
- CARB轴承
- C 2215 K
- 主要尺寸
- A
- 104
- mm
- L
- 190
- mm
- H
- 190
- mm
- H1
- 95
- mm
- 重量
- 重量
- 10000
- g
- 型号
- 型号
- FNL 515 B
- -
SKF FNL515B相关型号
| SKF型号 | 品牌 | 内径(mm) | 外径(mm) | 厚度(mm) |
| 900VLR | SKF | |||
| 23264CCK/W33 | SKF | |||
| 1425252 | SKF | |||
| 1900566 | SKF | |||
| 17746 | SKF | |||
| 18x47x6HMSA10RG | SKF | |||
| 350VAV | SKF | |||
| 70080 | SKF | |||
| 22311EK | SKF | |||
| OKBS65 | SKF | |||
| FYT40TF/VA201 | SKF | |||
| 25587 | SKF | |||
| 120X140X12HMSA10V | SKF | |||
| 36359 | SKF | |||
| 18x40x7HMSA10RG | SKF | |||
| YAR207-104-2RF | SKF | |||
| 8690 | SKF | |||
| FYT1/2TF/AH | SKF | |||
| SNL3160G | SKF | |||
| 7x16x7HMSA10RG1 | SKF |






