SKF轴承 > SKF能效型(E2)单列深沟球轴承 > E2.6306-2Z/C3
SKF E2.6306-2Z/C3尺寸参数
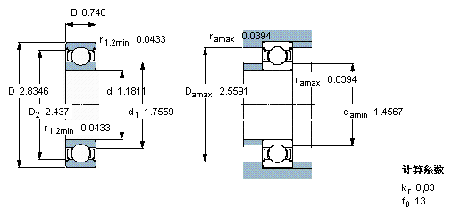
- 主要尺寸
- E2.6306-2Z/C3
- 30
- mm
- D
- 72
- mm
- B
- 19
- mm
- 基本额定载荷
- C
- 28100
- N
- 动载荷
- C0
- 15600
- N
- 静载荷
- 疲劳载荷极限
- Pu
- 670
- N
- 额定转速
- 参考转速
- 22000
- r/min
- 极限转速
- 13000
- r/min
- 重量
- 重量
- 350
- g
- 型号
- 型号
- E2.6306-2Z/C3
- -
SKF E2.6306-2Z/C3相关型号
| SKF型号 | 品牌 | 内径(mm) | 外径(mm) | 厚度(mm) |
| 306 | SKF | 30 | 72 | 19 |
| 306-ZNR | SKF | 30 | 72 | 19 |
| NJ306ECJ | SKF | 30 | 72 | 19 |
| 6306-2Z/VA228 | SKF | 30 | 72 | 19 |
| 6306 | SKF | 30 | 72 | 19 |
| QJ306N2PHAS | SKF | 30 | 72 | 19 |
| 306-2Z | SKF | 30 | 72 | 19 |
| 306-2ZNR | SKF | 30 | 72 | 19 |
| NJ306ECP | SKF | 30 | 72 | 19 |
| NU306ECP | SKF | 30 | 72 | 19 |
| 306NR | SKF | 30 | 72 | 19 |
| 6306/HR11QN | SKF | 30 | 72 | 19 |
| NUP306ECM | SKF | 30 | 72 | 19 |
| 6306-Z | SKF | 30 | 72 | 19 |
| NUP306ECJ | SKF | 30 | 72 | 19 |
| 7306BEGAP | SKF | 30 | 72 | 19 |
| 1726306-2RS1 | SKF | 30 | 72 | 19 |
| 1306EKTN9 | SKF | 30 | 72 | 19 |
| 6306-ZNR | SKF | 30 | 72 | 19 |
| NUP306ECP | SKF | 30 | 72 | 19 |






