SKF轴承 > TDO配置的双列圆锥棍子轴承 > BT2B332673/HA4
SKF BT2B332673/HA4尺寸参数
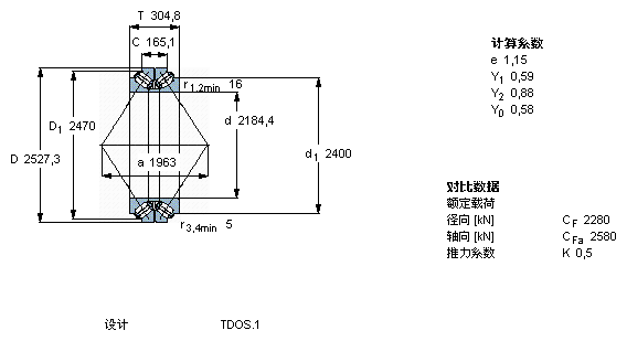
- 主要尺寸
- d
- 2184.4
- mm
- D
- 2527.3
- mm
- T
- 304.8
- mm
- C
- 165.1
- mm
- 基本额定载荷
- C
- 9350000
- N
- 动载荷
- C0
- 37500000
- N
- 静载荷
- 疲劳载荷极限
- Pu
- 1900000
- N
- 重量
- 重量
- 2230000
- g
- 型号
- 型号
- BT2B 332673/HA4
- -
SKF BT2B332673/HA4相关型号
| SKF型号 | 品牌 | 内径(mm) | 外径(mm) | 厚度(mm) |
| BT2B332673/HA4 | SKF | 2184.4 | 2527.3 | 304.8 |






