SKF轴承 > TDI配置的双列圆锥滚子轴承 > BT2-8016/HA3
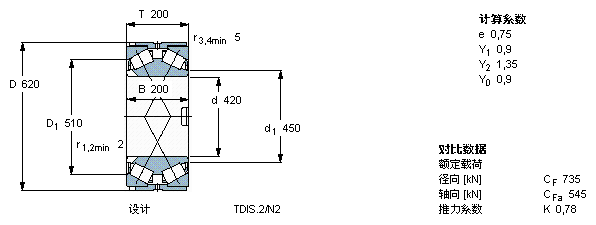
SKF BT2-8016/HA3尺寸参数
- 主要尺寸
- d
- 420
- mm
- D
- 620
- mm
- T
- 200
- mm
- B
- 200
- mm
- 基本额定载荷
- C
- 2970000
- N
- 动载荷
- C0
- 7200000
- N
- 静载荷
- 疲劳载荷极限
- Pu
- 560000
- N
- 重量
- 重量
- 210000
- g
- 型号
- 型号
- BT2-8016/HA3
- -
SKF BT2-8016/HA3相关型号
| SKF型号 | 品牌 | 内径(mm) | 外径(mm) | 厚度(mm) |
| NNU4084M/W33 | SKF | 420 | 620 | 200 |
| 24084ECAK30/W33 | SKF | 420 | 620 | 200 |
| NNU4084KM/W33 | SKF | 420 | 620 | 200 |
| 24084ECA/W33 | SKF | 420 | 620 | 200 |
| BT2-8016/HA3 | SKF | 420 | 620 | 200 |
| 314391 | SKF | 420 | 620 | 200 |






