SKF轴承 > N和AN锁紧螺母,英制尺寸 > AN15

SKF AN15尺寸参数

型号:AN15
品牌:SKF
系列:N和AN锁紧螺母,英制尺寸
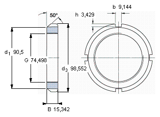
内径:74.498 mm
外径:98.552 mm
宽度:15.342 mm
起订量:≥ 1套
物流:全国配送

SKF AN15现货供应商

我们是SKF品牌最佳代理商,与SKF厂家常年批量订购AN15,所售产品均为原装正品,请您放心购买!

螺纹尺寸
  • 螺纹尺寸
  • 74.498
  • mm
说明
  • 每英寸的螺纹号
  • 12
  • -
尺寸
  • d3
  • 98.552
  • mm
  • B
  • 15.342
  • mm
重量
  • 重量
  • 320
  • g
型号
  • 锁定螺母
  • AN 15
  • -
说明
  • 适当的锁定垫圈/锁定板
  • W 15
  • 适当的六角头螺钉
  • -
  • 适当的钩形/冲击扳手
  • HN 15
共 2 张 第1 张上一张 1下一张
共 2 张 第2 张上一张 2下一张
SKF  AN15相关型号
SKF型号品牌内径(mm)外径(mm)厚度(mm)
AN15 SKF 74.498 98.552 15.342