SKF 950VLR尺寸参数
- 主要尺寸
- d1从-到
- 925-975
- mm
- 从
- 865
- mm
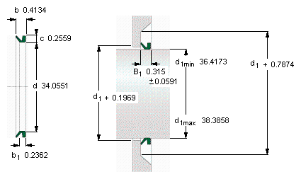
- b1
- 6
- mm
- b
- 10.5
- mm
- c
- 6.5
- mm
- 说明
- 设计
- VR3/VL
- -
- 密封唇材料
- R
- -
- 型号
- 全球有效
- 950 VL R
- -
- 说明
- 北美市场
- 409502
- -
- **请核查供货情况
- -
SKF 950VLR相关型号
| SKF型号 | 品牌 | 内径(mm) | 外径(mm) | 厚度(mm) |
| 522676 | SKF | |||
| FY1.3/4TF/VA228 | SKF | |||
| C2216 | SKF | |||
| 30X58X8CRWA1R | SKF | |||
| SYH2.7/16RM | SKF | |||
| 40x59x8HMSA10V | SKF | |||
| 19434 | SKF | |||
| 99301 | SKF | |||
| 29105 | SKF | |||
| SYNT45F | SKF | |||
| SNL3056 | SKF | |||
| 23779 | SKF | |||
| 40X55X10CRS1R | SKF | |||
| 99259 | SKF | |||
| SYJ25KF | SKF | |||
| 99168 | SKF | |||
| 20x47x10HMS5V | SKF | |||
| 6248 | SKF | |||
| TU55TF | SKF | |||
| 300VRMER | SKF |






