SKF 950VAV尺寸参数
- 主要尺寸
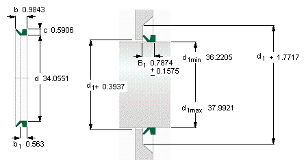
- d1从-到
- 920-965
- mm
- 从
- 865
- mm
- b1
- 14.3
- mm
- b
- 25
- mm
- c
- 15
- mm
- 说明
- 设计
- VR1/VA
- -
- 密封唇材料
- V
- -
- 型号
- 全球有效
- 950 VA V
- -
- 说明
- 北美市场
- 409504
- -
- **请核查供货情况
- **
SKF 950VAV相关型号
| SKF型号 | 品牌 | 内径(mm) | 外径(mm) | 厚度(mm) |
| 27x47x10HMS5RG | SKF | |||
| SY1.5/16WF | SKF | |||
| SYR2.3/4N | SKF | |||
| SY1.11/16FM | SKF | |||
| 2400560 | SKF | |||
| 99076 | SKF | |||
| 35x62x8HMSA10RG | SKF | |||
| 30x62x10HMSA10V | SKF | |||
| SY3/4TF/VA201 | SKF | |||
| FSNL520-617 | SKF | |||
| SY2.WF | SKF | |||
| SYR2.7/16NH-118 | SKF | |||
| FYC25FM | SKF | |||
| 600VLV | SKF | |||
| 87789 | SKF | |||
| 26141 | SKF | |||
| TUM1.15/16TF | SKF | |||
| FY2.RM | SKF | |||
| 82x120x12HMS5RG | SKF | |||
| 593855 | SKF |






