SKF 8VAR尺寸参数
- 主要尺寸
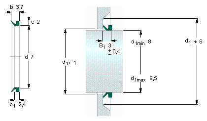
- d1从-到
- 8-9.5
- mm
- 从
- 7
- mm
- b1
- 2.4
- mm
- b
- 3.7
- mm
- c
- 2
- mm
- 说明
- 设计
- VR1/VA
- -
- 密封唇材料
- R
- -
- 型号
- 全球有效
- 8 VA R
- -
- 说明
- 北美市场
- 400080
- -
- **请核查供货情况
- -
SKF 8VAR相关型号
| SKF型号 | 品牌 | 内径(mm) | 外径(mm) | 厚度(mm) |
| 99434 | SKF | |||
| 35x52x8HMSA10V | SKF | |||
| 17136 | SKF | |||
| SNL3048 | SKF | |||
| 25108 | SKF | |||
| 42X67X10HMS5RG | SKF | |||
| 42X72X8CRW1V | SKF | |||
| PFT25TR | SKF | |||
| 42X55X8HMSA10RG | SKF | |||
| 40X62X6HMSA10V | SKF | |||
| PF1.5/8FM | SKF | |||
| 15x30x7HMSA10V | SKF | |||
| 1500380 | SKF | |||
| 26x42x7HMS5V | SKF | |||
| SYR1.11/16N-118 | SKF | |||
| FYRP2.15/16-18 | SKF | |||
| 9515 | SKF | |||
| 19243 | SKF | |||
| 23222CCK/W33 | SKF | |||
| SNL619TURU | SKF |






