SKF 890VEV尺寸参数
- 主要尺寸
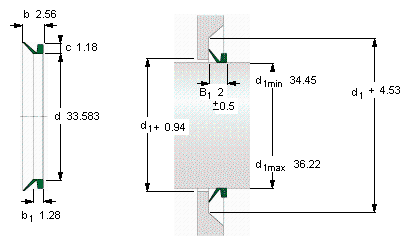
- d1从-到
- 875.03-919.99
- mm
- 从
- 853.01
- mm
- b1
- 32.51
- mm
- b
- 65.02
- mm
- c
- 29.97
- mm
- 说明
- 设计
- VR4/VE
- -
- 密封唇材料
- V
- -
- 型号
- 全球有效
- 890 VE V
- -
- 说明
- 北美市场
- 408907
- -
- **请核查供货情况
- **
SKF 890VEV相关型号
| SKF型号 | 品牌 | 内径(mm) | 外径(mm) | 厚度(mm) |
| 23300 | SKF | |||
| 60X110X8HMS5V | SKF | |||
| 120X160X12HMSA10V | SKF | |||
| 14VSR | SKF | |||
| 75X105X10HMS5V | SKF | |||
| 35X45X4HM4R | SKF | |||
| 7693 | SKF | |||
| 99413 | SKF | |||
| HCRE030R | SKF | |||
| 25x62x8HMS5V | SKF | |||
| YAT206 | SKF | |||
| SNL510-608 | SKF | |||
| 380X440X25HDS1R | SKF | |||
| 9837 | SKF | |||
| 51X65X7CRWA1R | SKF | |||
| 18x30x6HMSA10V | SKF | |||
| 35x55x10HMSA10V | SKF | |||
| 58716 | SKF | |||
| 42X67X10HMS5RG | SKF | |||
| 325VLR | SKF |






