SKF 890VER尺寸参数
- 主要尺寸
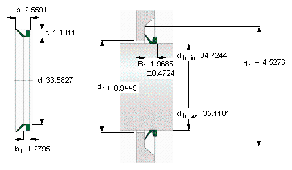
- d1从-到
- 882-892
- mm
- 从
- 853
- mm
- b1
- 32.5
- mm
- b
- 65
- mm
- c
- 30
- mm
- 说明
- 设计
- VR4/VE
- -
- 密封唇材料
- R
- -
- 型号
- 全球有效
- 890 VE R
- -
- 说明
- 北美市场
- 408903
- -
- **请核查供货情况
- -
SKF 890VER相关型号
| SKF型号 | 品牌 | 内径(mm) | 外径(mm) | 厚度(mm) |
| 2100VAR | SKF | |||
| 99850 | SKF | |||
| KD2-203 | SKF | |||
| SYJ30KF | SKF | |||
| SY35TF/VA201 | SKF | |||
| FYR4-3 | SKF | |||
| 34892 | SKF | |||
| SYNT100LTF | SKF | |||
| SYE1.1/2H-3 | SKF | |||
| 750VLR | SKF | |||
| 87981 | SKF | |||
| 2500VAR | SKF | |||
| 23685 | SKF | |||
| 1025249 | SKF | |||
| 8x18x5HMSA10V | SKF | |||
| 100X140X12CRWA1R | SKF | |||
| 1350VRMR | SKF | |||
| 87850 | SKF | |||
| 31152 | SKF | |||
| 14840 | SKF |






