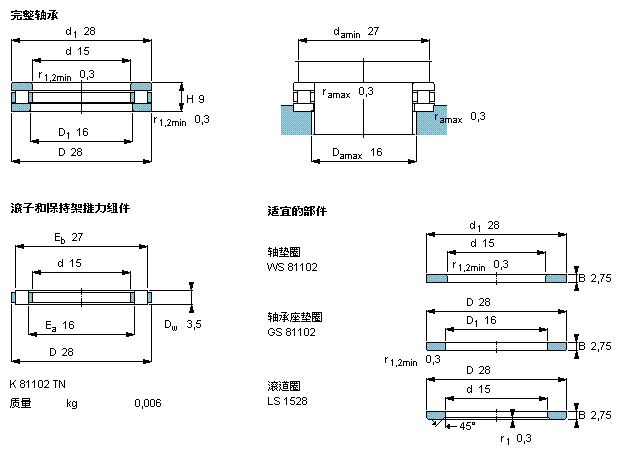
SKF 81102TN尺寸参数
- 主要尺寸
- d
- 15
- mm
- D
- 28
- mm
- H
- 9
- mm
- 基本额定载荷
- C
- 11200
- N
- 动载荷
- C0
- 27000
- N
- 静载荷
- 疲劳载荷极限
- Pu
- 2450
- N
- 最小载荷系数
- A
- -
- -
- 额定转速
- 额定转度
- 4300
- r/min
- 极限转速
- 8500
- r/min
- 重量
- 重量
- 24
- g
- 型号
- 完整轴承
- 81102 TN
- -
- 滚子和保持架推力组件
- K 81102 TN
- -
SKF 81102TN相关型号
| SKF型号 | 品牌 | 内径(mm) | 外径(mm) | 厚度(mm) |
| 51102V/HR11T1 | SKF | 15 | 28 | 9 |
| 51102 | SKF | 15 | 28 | 9 |
| 81102TN | SKF | 15 | 28 | 9 |
| 51102V/HR22T2 | SKF | 15 | 28 | 9 |
| 51102V/HR22Q2 | SKF | 15 | 28 | 9 |
| 51102V/HR11Q1 | SKF | 15 | 28 | 9 |






