SKF 80VSV尺寸参数
- 主要尺寸
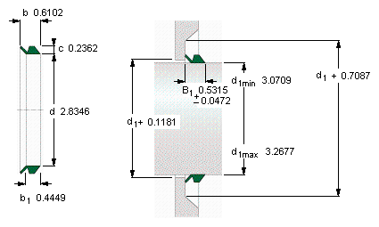
- d1从-到
- 78-83
- mm
- 从
- 72
- mm
- b1
- 11.3
- mm
- b
- 15.5
- mm
- c
- 6
- mm
- 说明
- 设计
- VR2/VS
- -
- 密封唇材料
- V
- -
- 型号
- 全球有效
- 80 VS V
- -
- 说明
- 北美市场
- 400805
- -
- **请核查供货情况
- -
SKF 80VSV相关型号
| SKF型号 | 品牌 | 内径(mm) | 外径(mm) | 厚度(mm) |
| 99056 | SKF | |||
| 526339 | SKF | |||
| FYT1/2TF | SKF | |||
| SYE3.1/2NH | SKF | |||
| 15x25x6HMSA10V | SKF | |||
| 2050557 | SKF | |||
| 11225 | SKF | |||
| 522679 | SKF | |||
| 550VAR | SKF | |||
| 75X100X10CRW1R | SKF | |||
| SY2.3/4TF/AH | SKF | |||
| SYH1.1/4ATF | SKF | |||
| 23240CCK/W33 | SKF | |||
| 50X62X7HMSA10V | SKF | |||
| 180X215X16CRS1R | SKF | |||
| XHCE055/OK160 | SKF | |||
| 99112 | SKF | |||
| 77540 | SKF | |||
| 20x35x10HMS5V | SKF | |||
| SY20TF/VA228 | SKF |






