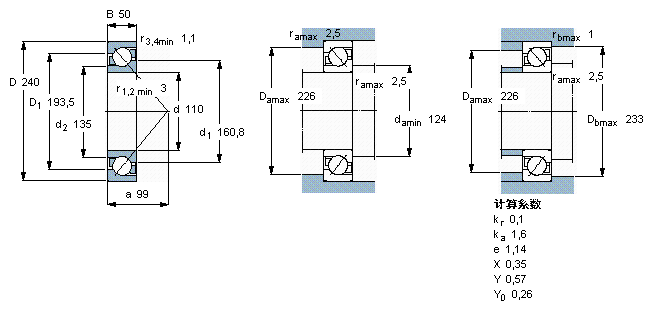
SKF 7322BECBP尺寸参数
- 主要尺寸
- 7322 BECBP *
- 110
- mm
- D
- 240
- mm
- B
- 50
- mm
- 基本额定载荷
- C
- 240000
- N
- 动载荷
- C0
- 245000
- N
- 静载荷
- 疲劳载荷极限
- Pu
- 7800
- N
- 额定转速
- 参考转速
- 3600
- r/min
- 极限转速
- 3600
- r/min
- 重量
- 重量
- 9690
- g
- 型号
- * SKF 探索者轴承
- 7322 BECBP *
- -
SKF 7322BECBP相关型号
| SKF型号 | 品牌 | 内径(mm) | 外径(mm) | 厚度(mm) |
| 1322M | SKF | 110 | 240 | 50 |
| NU322ECM/C3VL0241 | SKF | 110 | 240 | 50 |
| NU322ECM | SKF | 110 | 240 | 50 |
| 7322BEGAM | SKF | 110 | 240 | 50 |
| NU322ECJ | SKF | 110 | 240 | 50 |
| NJ322ECP | SKF | 110 | 240 | 50 |
| 7322BEP | SKF | 110 | 240 | 50 |
| NU322ECM/C3VL0241 | SKF | 110 | 240 | 50 |
| NUP322ECJ | SKF | 110 | 240 | 50 |
| NJ322ECML | SKF | 110 | 240 | 50 |
| 6322/C3VL0241 | SKF | 110 | 240 | 50 |
| NUP322ECML | SKF | 110 | 240 | 50 |
| 7322BECBY | SKF | 110 | 240 | 50 |
| 6322/W64 | SKF | 110 | 240 | 50 |
| 7322BEM | SKF | 110 | 240 | 50 |
| NU322ECNML | SKF | 110 | 240 | 50 |
| QJ322N2MA | SKF | 110 | 240 | 50 |
| N322ECM | SKF | 110 | 240 | 50 |
| N322ECP | SKF | 110 | 240 | 50 |
| 7322BECBM | SKF | 110 | 240 | 50 |






