SKF 7311BEP尺寸参数
- 主要尺寸
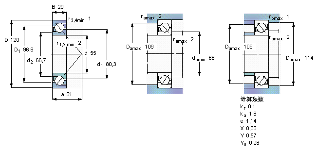
- 7311 BEP
- 55
- mm
- D
- 120
- mm
- B
- 29
- mm
- 基本额定载荷
- C
- 79300
- N
- 动载荷
- C0
- 55000
- N
- 静载荷
- 疲劳载荷极限
- Pu
- 2320
- N
- 额定转速
- 参考转速
- 6700
- r/min
- 极限转速
- 6700
- r/min
- 重量
- 重量
- 1340
- g
- 型号
- * SKF 探索者轴承
- 7311 BEP
- -
SKF 7311BEP相关型号
| SKF型号 | 品牌 | 内径(mm) | 外径(mm) | 厚度(mm) |
| 1311ETN9 | SKF | 55 | 120 | 29 |
| NJ311ECML | SKF | 55 | 120 | 29 |
| 7311BECBM | SKF | 55 | 120 | 29 |
| 6311N | SKF | 55 | 120 | 29 |
| 6311-RS1 | SKF | 55 | 120 | 29 |
| 7311BEGAP | SKF | 55 | 120 | 29 |
| NUP311ECP | SKF | 55 | 120 | 29 |
| E2.6311-2Z/C3 | SKF | 55 | 120 | 29 |
| 6311-2RS1 | SKF | 55 | 120 | 29 |
| 6311-2RS1/W64 | SKF | 55 | 120 | 29 |
| NJ311ECP | SKF | 55 | 120 | 29 |
| 6311NR | SKF | 55 | 120 | 29 |
| NU311ECML | SKF | 55 | 120 | 29 |
| 311-Z | SKF | 55 | 120 | 29 |
| NU311ECM | SKF | 55 | 120 | 29 |
| 7311BEGBM | SKF | 55 | 120 | 29 |
| 311-2ZNR | SKF | 55 | 120 | 29 |
| 6311-2Z | SKF | 55 | 120 | 29 |
| 7311BECBJ | SKF | 55 | 120 | 29 |
| 7311BECBPH | SKF | 55 | 120 | 29 |






