SKF 725VAR尺寸参数
- 主要尺寸
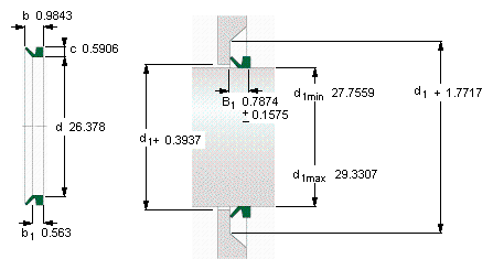
- d1从-到
- 705-745
- mm
- 从
- 670
- mm
- b1
- 14.3
- mm
- b
- 25
- mm
- c
- 15
- mm
- 说明
- 设计
- VR1/VA
- -
- 密封唇材料
- R
- -
- 型号
- 全球有效
- 725 VA R
- -
- 说明
- 北美市场
- 407250
- -
- **请核查供货情况
- -
SKF 725VAR相关型号
| SKF型号 | 品牌 | 内径(mm) | 外径(mm) | 厚度(mm) |
| 18895 | SKF | |||
| 45110 | SKF | |||
| YAT209-112 | SKF | |||
| 7x16x7HMS5RG1 | SKF | |||
| FYT1.3/16TF/VA228 | SKF | |||
| 34611 | SKF | |||
| 23226CCK/W33 | SKF | |||
| 6243 | SKF | |||
| YAR206-104-2F | SKF | |||
| 29872 | SKF | |||
| PDNB306 | SKF | |||
| 50618 | SKF | |||
| 35x45x7HMSA10RG | SKF | |||
| 1013320 | SKF | |||
| 13509 | SKF | |||
| 40X90X12HMS5RG | SKF | |||
| PFD1.1/4AFM | SKF | |||
| 95X115X12HMS5RG | SKF | |||
| FYT30TF/VA201 | SKF | |||
| 524372 | SKF |






