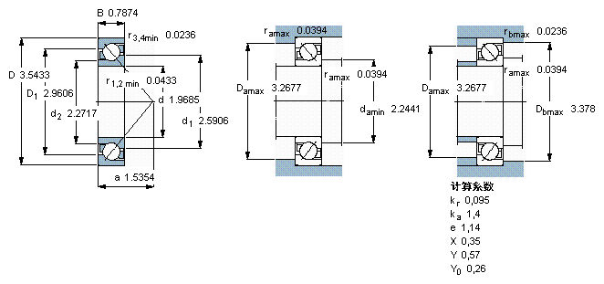
SKF 7210BECBM尺寸参数
- 主要尺寸
- 7210 BECBM *
- 50
- mm
- D
- 90
- mm
- B
- 20
- mm
- 基本额定载荷
- C
- 40000
- N
- 动载荷
- C0
- 31000
- N
- 静载荷
- 疲劳载荷极限
- Pu
- 1320
- N
- 额定转速
- 参考转速
- 9000
- r/min
- 极限转速
- 9000
- r/min
- 重量
- 重量
- 510
- g
- 型号
- * SKF 探索者轴承
- 7210 BECBM *
- -
SKF 7210BECBM相关型号
| SKF型号 | 品牌 | 内径(mm) | 外径(mm) | 厚度(mm) |
| NUP210ECP | SKF | 50 | 90 | 20 |
| 7210ACD/P4A | SKF | 50 | 90 | 20 |
| NU210ECP | SKF | 50 | 90 | 20 |
| 7210BEY | SKF | 50 | 90 | 20 |
| 210-2Z | SKF | 50 | 90 | 20 |
| 6210-2Z/VA228 | SKF | 50 | 90 | 20 |
| W6210-2RS1 | SKF | 50 | 90 | 20 |
| 6210-RS1 | SKF | 50 | 90 | 20 |
| 6210/VA201 | SKF | 50 | 90 | 20 |
| 210 | SKF | 50 | 90 | 20 |
| 6210-2RS1/W64 | SKF | 50 | 90 | 20 |
| 6210-2Z/VA228 | SKF | 50 | 90 | 20 |
| 6210/HR22Q2 | SKF | 50 | 90 | 20 |
| 1726210-2RS1 | SKF | 50 | 90 | 20 |
| W6210 | SKF | 50 | 90 | 20 |
| 6210-2ZNR | SKF | 50 | 90 | 20 |
| 7210CD/HCP4A | SKF | 50 | 90 | 20 |
| 6210-2Z/VA208 | SKF | 50 | 90 | 20 |
| 6210-2Z | SKF | 50 | 90 | 20 |
| 1210EKTN9 | SKF | 50 | 90 | 20 |






