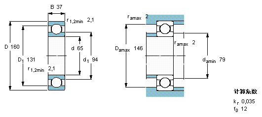
SKF 6413尺寸参数
- 主要尺寸
- 6413
- 65
- mm
- D
- 160
- mm
- B
- 37
- mm
- 基本额定载荷
- C
- 119000
- N
- 动载荷
- C0
- 78000
- N
- 静载荷
- 疲劳载荷极限
- Pu
- 3150
- N
- 额定转速
- 参考转速
- 9500
- r/min
- 极限转速
- 6000
- r/min
- 重量
- 重量
- 3300
- g
- 型号
- * SKF 探索者轴承
- 6413
- -
SKF 6413相关型号
| SKF型号 | 品牌 | 内径(mm) | 外径(mm) | 厚度(mm) |
| 6413/W64 | SKF | 65 | 160 | 37 |
| NJ413M | SKF | 65 | 160 | 37 |
| 21315EK+H315 | SKF | 65 | 160 | 37 |
| 6413/W64 | SKF | 65 | 160 | 37 |
| NJ413 | SKF | 65 | 160 | 37 |
| 7413BCBM | SKF | 65 | 160 | 37 |
| 1315K+H315 | SKF | 65 | 160 | 37 |
| 6413 | SKF | 65 | 160 | 37 |
| NU413 | SKF | 65 | 160 | 37 |
| 7413BGBM | SKF | 65 | 160 | 37 |
| 6413NR | SKF | 65 | 160 | 37 |
| 7413BGAM | SKF | 65 | 160 | 37 |
| 6413N | SKF | 65 | 160 | 37 |






