SKF轴承 > 单列深沟球轴承 > 63006-2RS1
SKF 63006-2RS1尺寸参数
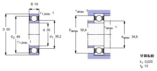
- 主要尺寸
- 63006-2RS1
- 30
- mm
- D
- 55
- mm
- B
- 19
- mm
- 基本额定载荷
- C
- 13300
- N
- 动载荷
- C0
- 8300
- N
- 静载荷
- 疲劳载荷极限
- Pu
- 355
- N
- 额定转速
- 参考转速
- -
- r/min
- 极限转速
- 8000
- r/min
- 重量
- 重量
- 160
- g
- 型号
- * SKF 探索者轴承
- 63006-2RS1
- -
SKF 63006-2RS1相关型号
| SKF型号 | 品牌 | 内径(mm) | 外径(mm) | 厚度(mm) |
| 63006-2RS1 | SKF | 30 | 55 | 19 |
| 63006-2RS1/W64 | SKF | 30 | 55 | 19 |
| NN3006TN/SP | SKF | 30 | 55 | 19 |
| NN3006KTN/SP | SKF | 30 | 55 | 19 |
| 63006-2RS1/W64 | SKF | 30 | 55 | 19 |
| NCF3006CV | SKF | 30 | 55 | 19 |






