SKF轴承 > 固态油单列深沟球轴承 > 6260M/W64

SKF 6260M/W64尺寸参数

型号:6260M/W64
品牌:SKF
系列:固态油单列深沟球轴承
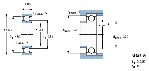
内径:300 mm
外径:540 mm
宽度:85 mm
起订量:≥ 1套
物流:全国配送

SKF 6260M/W64现货供应商

我们是SKF品牌最佳代理商,与SKF厂家常年批量订购6260M/W64,所售产品均为原装正品,请您放心购买!

主要尺寸
  • d
  • 300
  • mm
  • D
  • 540
  • mm
  • B
  • 85
  • mm
基本额定载荷
  • C
  • 462000
  • N
  • 动载荷
  • C0
  • 670000
  • N
  • 静载荷
疲劳载荷极限
  • Pu
  • 13700
  • N
极限转速
  • 极限转速
  • 100
  • r/min
重量
  • 重量
  • 88500
  • g
型号
  • * SKF 探索者轴承
  • 6260 M/W64
  • -
共 2 张 第1 张上一张 1下一张
共 2 张 第2 张上一张 2下一张
SKF  6260M/W64相关型号
SKF型号品牌内径(mm)外径(mm)厚度(mm)
NU260M SKF 300 540 85
6260M SKF 300 540 85
6260M/W64 SKF 300 540 85
6260M/W64 SKF 300 540 85
NU260MA SKF 300 540 85