SKF轴承 > 固态油单列深沟球轴承 > 6222-Z/W64
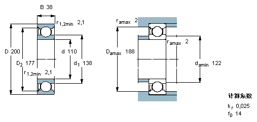
SKF 6222-Z/W64尺寸参数
- 主要尺寸
- d
- 110
- mm
- D
- 200
- mm
- B
- 38
- mm
- 基本额定载荷
- C
- 151000
- N
- 动载荷
- C0
- 118000
- N
- 静载荷
- 疲劳载荷极限
- Pu
- 4000
- N
- 极限转速
- 极限转速
- 1900
- r/min
- 重量
- 重量
- 4350
- g
- 型号
- * SKF 探索者轴承
- 6222-Z/W64 *
- -
SKF 6222-Z/W64相关型号
| SKF型号 | 品牌 | 内径(mm) | 外径(mm) | 厚度(mm) |
| NJ222ECJ | SKF | 110 | 200 | 38 |
| 1222K | SKF | 110 | 200 | 38 |
| 7222BECBP | SKF | 110 | 200 | 38 |
| NU222ECJ | SKF | 110 | 200 | 38 |
| 6222-Z | SKF | 110 | 200 | 38 |
| 1222 | SKF | 110 | 200 | 38 |
| 7222CD/HCP4A | SKF | 110 | 200 | 38 |
| NJ222ECML | SKF | 110 | 200 | 38 |
| N222ECM | SKF | 110 | 200 | 38 |
| 7222BEP | SKF | 110 | 200 | 38 |
| 7222BECBM | SKF | 110 | 200 | 38 |
| 7222BECCM | SKF | 110 | 200 | 38 |
| 6222/C3VL0241 | SKF | 110 | 200 | 38 |
| 7222ACD/P4A | SKF | 110 | 200 | 38 |
| 7222BEM | SKF | 110 | 200 | 38 |
| 7222BEGBF | SKF | 110 | 200 | 38 |
| NJ222ECP | SKF | 110 | 200 | 38 |
| NUP222ECP | SKF | 110 | 200 | 38 |
| NUP222ECML | SKF | 110 | 200 | 38 |
| 6222-Z/W64 | SKF | 110 | 200 | 38 |






