SKF 6207NR尺寸参数
- 主要尺寸
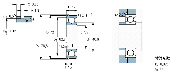
- 6207 NR *
- 35
- mm
- D
- 72
- mm
- B
- 17
- mm
- 基本额定载荷
- C
- 27000
- N
- 动载荷
- C0
- 15300
- N
- 静载荷
- 疲劳载荷极限
- Pu
- 655
- N
- 额定转速
- 参考转速
- 20000
- r/min
- 极限转速
- 13000
- r/min
- 重量
- 重量
- 290
- g
- 型号
- * SKF 探索者轴承
- 6207 NR *
- -
- * SKF 探索者轴承
- SP 72
- -
SKF 6207NR相关型号
| SKF型号 | 品牌 | 内径(mm) | 外径(mm) | 厚度(mm) |
| 6207-2Z/VA201 | SKF | 35 | 72 | 17 |
| S7207CD/P4A | SKF | 35 | 72 | 17 |
| NU207ECML | SKF | 35 | 72 | 17 |
| 6207N | SKF | 35 | 72 | 17 |
| NUP207ECP/W64 | SKF | 35 | 72 | 17 |
| 6207-2RS1 | SKF | 35 | 72 | 17 |
| 6207/HR11TN | SKF | 35 | 72 | 17 |
| 6207/HR22T2 | SKF | 35 | 72 | 17 |
| N207ECM | SKF | 35 | 72 | 17 |
| BSA207C | SKF | 35 | 72 | 17 |
| 6207/VA201 | SKF | 35 | 72 | 17 |
| 6207-2Z/VA228 | SKF | 35 | 72 | 17 |
| 6207-2Z/VA201 | SKF | 35 | 72 | 17 |
| NU207ECJ | SKF | 35 | 72 | 17 |
| 7207CD/P4A | SKF | 35 | 72 | 17 |
| NUP207ECM | SKF | 35 | 72 | 17 |
| NJ207ECJ | SKF | 35 | 72 | 17 |
| NU207ECPH | SKF | 35 | 72 | 17 |
| 6207-Z/W64 | SKF | 35 | 72 | 17 |
| 7207BEGAP | SKF | 35 | 72 | 17 |






