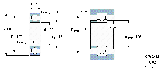
SKF 61920尺寸参数
- 主要尺寸
- 61920
- 100
- mm
- D
- 140
- mm
- B
- 20
- mm
- 基本额定载荷
- C
- 42300
- N
- 动载荷
- C0
- 41000
- N
- 静载荷
- 疲劳载荷极限
- Pu
- 1630
- N
- 额定转速
- 参考转速
- 9500
- r/min
- 极限转速
- 6000
- r/min
- 重量
- 重量
- 830
- g
- 型号
- * SKF 探索者轴承
- 61920
- -
SKF 61920相关型号
| SKF型号 | 品牌 | 内径(mm) | 外径(mm) | 厚度(mm) |
| 61920/W64 | SKF | 100 | 140 | 20 |
| 71920CD/HCP4AL | SKF | 100 | 140 | 20 |
| S71920CE/P4A | SKF | 100 | 140 | 20 |
| 71920CD/P4AL | SKF | 100 | 140 | 20 |
| 71920CD/P4AH1 | SKF | 100 | 140 | 20 |
| S71920ACB/HCP4A | SKF | 100 | 140 | 20 |
| 71920ACD/P4AL | SKF | 100 | 140 | 20 |
| S71920ACD/P4A | SKF | 100 | 140 | 20 |
| 71920CD/HCP4AH1 | SKF | 100 | 140 | 20 |
| 71920ACB/HCP4AL | SKF | 100 | 140 | 20 |
| 71920CE/HCP4AH1 | SKF | 100 | 140 | 20 |
| 71920ACE/P4AH1 | SKF | 100 | 140 | 20 |
| 71920ACE/HCP4AH1 | SKF | 100 | 140 | 20 |
| 71920ACE/P4A | SKF | 100 | 140 | 20 |
| 71920ACD/HCP4AL | SKF | 100 | 140 | 20 |
| S71920ACB/P4A | SKF | 100 | 140 | 20 |
| 71920CB/P4AL | SKF | 100 | 140 | 20 |
| S71920CE/HCP4A | SKF | 100 | 140 | 20 |
| S71920CB/P4A | SKF | 100 | 140 | 20 |
| S71920ACE/P4A | SKF | 100 | 140 | 20 |






