SKF 61915/W64尺寸参数
- 主要尺寸
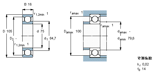
- d
- 75
- mm
- D
- 105
- mm
- B
- 16
- mm
- 基本额定载荷
- C
- 24200
- N
- 动载荷
- C0
- 19300
- N
- 静载荷
- 疲劳载荷极限
- Pu
- 965
- N
- 极限转速
- 极限转速
- 3400
- r/min
- 重量
- 重量
- 370
- g
- 型号
- * SKF 探索者轴承
- 61915/W64
- -
SKF 61915/W64相关型号
| SKF型号 | 品牌 | 内径(mm) | 外径(mm) | 厚度(mm) |
| 71915ACE/HCP4AH1 | SKF | 75 | 105 | 16 |
| 71915ACD/HCP4AH1 | SKF | 75 | 105 | 16 |
| 71915ACD/HCP4A | SKF | 75 | 105 | 16 |
| 71915ACD/P4AL | SKF | 75 | 105 | 16 |
| S71915ACD/P4A | SKF | 75 | 105 | 16 |
| S71915ACB/HCP4A | SKF | 75 | 105 | 16 |
| 71915CE/HCP4AH1 | SKF | 75 | 105 | 16 |
| 71915ACE/P4A | SKF | 75 | 105 | 16 |
| S71915CB/HCP4A | SKF | 75 | 105 | 16 |
| 71915CD/P4A | SKF | 75 | 105 | 16 |
| 71915CB/P4AL | SKF | 75 | 105 | 16 |
| 61915/W64 | SKF | 75 | 105 | 16 |
| 61915-2RZ | SKF | 75 | 105 | 16 |
| 61915-2RS1/W64 | SKF | 75 | 105 | 16 |
| 71915ACB/HCP4A | SKF | 75 | 105 | 16 |
| S71915CE/P4A | SKF | 75 | 105 | 16 |
| S71915CE/HCP4A | SKF | 75 | 105 | 16 |
| 71915ACB/HCP4AL | SKF | 75 | 105 | 16 |
| 71915ACE/HCP4A | SKF | 75 | 105 | 16 |
| S71915CD/P4A | SKF | 75 | 105 | 16 |






