SKF轴承 > 单列深沟球轴承 > 61817-2RS1
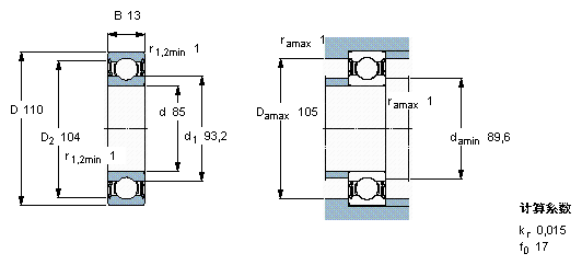
SKF 61817-2RS1尺寸参数
- 主要尺寸
- 61817-2RS1
- 85
- mm
- D
- 110
- mm
- B
- 13
- mm
- 基本额定载荷
- C
- 19500
- N
- 动载荷
- C0
- 20800
- N
- 静载荷
- 疲劳载荷极限
- Pu
- 880
- N
- 额定转速
- 参考转速
- -
- r/min
- 极限转速
- 3400
- r/min
- 重量
- 重量
- 270
- g
- 型号
- * SKF 探索者轴承
- 61817-2RS1
- -
SKF 61817-2RS1相关型号
| SKF型号 | 品牌 | 内径(mm) | 外径(mm) | 厚度(mm) |
| 71817ACD/P4 | SKF | 85 | 110 | 13 |
| 61817 | SKF | 85 | 110 | 13 |
| 61817-2RS1 | SKF | 85 | 110 | 13 |
| 61817-2RS1/W64 | SKF | 85 | 110 | 13 |
| 61817-2RZ | SKF | 85 | 110 | 13 |
| 61817-2RS1/W64 | SKF | 85 | 110 | 13 |
| 61817/W64 | SKF | 85 | 110 | 13 |
| 71817ACD/HCP4 | SKF | 85 | 110 | 13 |
| 61817/W64 | SKF | 85 | 110 | 13 |
| 71817CD/P4 | SKF | 85 | 110 | 13 |
| 71817CD/HCP4 | SKF | 85 | 110 | 13 |






