SKF 6017N尺寸参数
- 主要尺寸
- 6017 N *
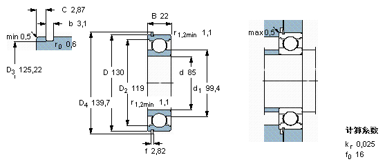
- 85
- mm
- D
- 130
- mm
- B
- 22
- mm
- 基本额定载荷
- C
- 52000
- N
- 动载荷
- C0
- 43000
- N
- 静载荷
- 疲劳载荷极限
- Pu
- 1760
- N
- 额定转速
- 参考转速
- 11000
- r/min
- 极限转速
- 6700
- r/min
- 重量
- 重量
- 890
- g
- 型号
- * SKF 探索者轴承
- 6017 N *
- -
- * SKF 探索者轴承
- SP 130
- -
SKF 6017N相关型号
| SKF型号 | 品牌 | 内径(mm) | 外径(mm) | 厚度(mm) |
| N1017KTN9/SP | SKF | 85 | 130 | 22 |
| 7017CD/HCP4AH1 | SKF | 85 | 130 | 22 |
| 7017CB/P4A | SKF | 85 | 130 | 22 |
| 7017CE/HCP4AH1 | SKF | 85 | 130 | 22 |
| 6017 | SKF | 85 | 130 | 22 |
| N1017KTNHA/SP | SKF | 85 | 130 | 22 |
| 7017CE/HCP4AL1 | SKF | 85 | 130 | 22 |
| 7017CE/P4AL1 | SKF | 85 | 130 | 22 |
| S7017CD/P4A | SKF | 85 | 130 | 22 |
| 7017ACE/P4AH1 | SKF | 85 | 130 | 22 |
| N1017KTN9/HC5SP | SKF | 85 | 130 | 22 |
| 7017ACB/P4A | SKF | 85 | 130 | 22 |
| 7017ACD/HCP4AL | SKF | 85 | 130 | 22 |
| 7017ACD/HCP4A | SKF | 85 | 130 | 22 |
| 7017ACE/HCP4A | SKF | 85 | 130 | 22 |
| S7017ACD/P4A | SKF | 85 | 130 | 22 |
| 7017ACB/HCP4A | SKF | 85 | 130 | 22 |
| S7017CD/HCP4A | SKF | 85 | 130 | 22 |
| NJ1017ML | SKF | 85 | 130 | 22 |
| 6017/W64 | SKF | 85 | 130 | 22 |






