SKF 6016-Z尺寸参数
- 主要尺寸
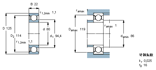
- 6016-Z *
- 80
- mm
- D
- 125
- mm
- B
- 22
- mm
- 基本额定载荷
- C
- 49400
- N
- 动载荷
- C0
- 40000
- N
- 静载荷
- 疲劳载荷极限
- Pu
- 1660
- N
- 额定转速
- 参考转速
- 11000
- r/min
- 极限转速
- 7000
- r/min
- 重量
- 重量
- 850
- g
- 型号
- * SKF 探索者轴承
- 6016-Z *
- -
SKF 6016-Z相关型号
| SKF型号 | 品牌 | 内径(mm) | 外径(mm) | 厚度(mm) |
| 7016CE/P4A | SKF | 80 | 125 | 22 |
| 6016N | SKF | 80 | 125 | 22 |
| 6016 | SKF | 80 | 125 | 22 |
| 7016ACE/P4AL | SKF | 80 | 125 | 22 |
| 7016ACD/HCP4A | SKF | 80 | 125 | 22 |
| N1016KTNHA/SP | SKF | 80 | 125 | 22 |
| S7016ACD/P4A | SKF | 80 | 125 | 22 |
| 7016ACB/P4AL | SKF | 80 | 125 | 22 |
| 7016ACE/P4AH1 | SKF | 80 | 125 | 22 |
| S7016ACE/HCP4A | SKF | 80 | 125 | 22 |
| 7016CE/HCP4A | SKF | 80 | 125 | 22 |
| 6016-2Z | SKF | 80 | 125 | 22 |
| 7016CD/P4AH1 | SKF | 80 | 125 | 22 |
| 6016-Z | SKF | 80 | 125 | 22 |
| 6016-Z/W64 | SKF | 80 | 125 | 22 |
| N1016KTN/SP | SKF | 80 | 125 | 22 |
| 7016ACD/P4A | SKF | 80 | 125 | 22 |
| 6016NR | SKF | 80 | 125 | 22 |
| S7016CD/P4A | SKF | 80 | 125 | 22 |
| 6016-2RS1/W64 | SKF | 80 | 125 | 22 |






