SKF 6013NR尺寸参数
- 主要尺寸
- 6013 NR *
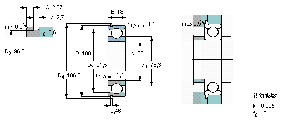
- 65
- mm
- D
- 100
- mm
- B
- 18
- mm
- 基本额定载荷
- C
- 31900
- N
- 动载荷
- C0
- 25000
- N
- 静载荷
- 疲劳载荷极限
- Pu
- 1060
- N
- 额定转速
- 参考转速
- 14000
- r/min
- 极限转速
- 9000
- r/min
- 重量
- 重量
- 440
- g
- 型号
- * SKF 探索者轴承
- 6013 NR *
- -
- * SKF 探索者轴承
- SP 100
- -
SKF 6013NR相关型号
| SKF型号 | 品牌 | 内径(mm) | 外径(mm) | 厚度(mm) |
| 7013CD/HCP4A | SKF | 65 | 100 | 18 |
| 6013-2Z | SKF | 65 | 100 | 18 |
| S7013ACD/P4A | SKF | 65 | 100 | 18 |
| 7013CB/P4AL | SKF | 65 | 100 | 18 |
| 7013CB/P4A | SKF | 65 | 100 | 18 |
| 7013CD/P4AH1 | SKF | 65 | 100 | 18 |
| S7013ACE/HCP4A | SKF | 65 | 100 | 18 |
| 6013-2RS1 | SKF | 65 | 100 | 18 |
| S7013ACB/HCP4A | SKF | 65 | 100 | 18 |
| 7013CD/HCP4AH1 | SKF | 65 | 100 | 18 |
| 7013CE/P4AL1 | SKF | 65 | 100 | 18 |
| 7013ACE/HCP4A | SKF | 65 | 100 | 18 |
| S7013CD/P4A | SKF | 65 | 100 | 18 |
| 7013ACE/HCP4AH1 | SKF | 65 | 100 | 18 |
| 7013ACB/P4A | SKF | 65 | 100 | 18 |
| NU1013ECP | SKF | 65 | 100 | 18 |
| N1013KTN/SP | SKF | 65 | 100 | 18 |
| 6013 | SKF | 65 | 100 | 18 |
| 7013CE/HCP4AH1 | SKF | 65 | 100 | 18 |
| 7013CE/P4AL | SKF | 65 | 100 | 18 |






