SKF轴承 > 固态油单列深沟球轴承 > 6013-Z/W64
SKF 6013-Z/W64尺寸参数
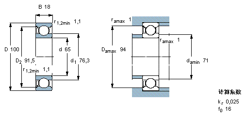
- 主要尺寸
- d
- 65
- mm
- D
- 100
- mm
- B
- 18
- mm
- 基本额定载荷
- C
- 31900
- N
- 动载荷
- C0
- 25000
- N
- 静载荷
- 疲劳载荷极限
- Pu
- 1060
- N
- 极限转速
- 极限转速
- 3600
- r/min
- 重量
- 重量
- 440
- g
- 型号
- * SKF 探索者轴承
- 6013-Z/W64 *
- -
SKF 6013-Z/W64相关型号
| SKF型号 | 品牌 | 内径(mm) | 外径(mm) | 厚度(mm) |
| 7013ACB/HCP4AL | SKF | 65 | 100 | 18 |
| 7013CD/P4AL | SKF | 65 | 100 | 18 |
| 7013CD/HCP4AH1 | SKF | 65 | 100 | 18 |
| 6013-Z/W64 | SKF | 65 | 100 | 18 |
| 7013CE/HCP4AL | SKF | 65 | 100 | 18 |
| 7013ACD/HCP4AH1 | SKF | 65 | 100 | 18 |
| 7013CB/P4A | SKF | 65 | 100 | 18 |
| 6013/W64 | SKF | 65 | 100 | 18 |
| N1013KTN/SP | SKF | 65 | 100 | 18 |
| 7013ACE/HCP4AH1 | SKF | 65 | 100 | 18 |
| 6013 | SKF | 65 | 100 | 18 |
| S7013CB/P4A | SKF | 65 | 100 | 18 |
| S7013ACD/HCP4A | SKF | 65 | 100 | 18 |
| S7013CB/HCP4A | SKF | 65 | 100 | 18 |
| 7013CE/HCP4AH1 | SKF | 65 | 100 | 18 |
| 6013-2RS1 | SKF | 65 | 100 | 18 |
| 7013ACE/P4AL1 | SKF | 65 | 100 | 18 |
| 7013ACB/P4AL | SKF | 65 | 100 | 18 |
| S7013CD/HCP4A | SKF | 65 | 100 | 18 |
| N1013KTNHA/HC5SP | SKF | 65 | 100 | 18 |






