SKF 6011-2RS1尺寸参数
- 主要尺寸
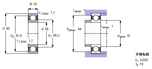
- 6011-2RS1 *
- 55
- mm
- D
- 90
- mm
- B
- 18
- mm
- 基本额定载荷
- C
- 29600
- N
- 动载荷
- C0
- 21200
- N
- 静载荷
- 疲劳载荷极限
- Pu
- 900
- N
- 额定转速
- 参考转速
- -
- r/min
- 极限转速
- 4500
- r/min
- 重量
- 重量
- 390
- g
- 型号
- * SKF 探索者轴承
- 6011-2RS1 *
- -
SKF 6011-2RS1相关型号
| SKF型号 | 品牌 | 内径(mm) | 外径(mm) | 厚度(mm) |
| 7011ACB/HCP4A | SKF | 55 | 90 | 18 |
| S7011ACE/P4A | SKF | 55 | 90 | 18 |
| 7011ACE/HCP4AL | SKF | 55 | 90 | 18 |
| S7011CB/HCP4A | SKF | 55 | 90 | 18 |
| 7011ACD/P4AL | SKF | 55 | 90 | 18 |
| S7011ACD/HCP4A | SKF | 55 | 90 | 18 |
| 7011ACD/HCP4A | SKF | 55 | 90 | 18 |
| 7011ACE/P4AL1 | SKF | 55 | 90 | 18 |
| 7011CE/HCP4AL | SKF | 55 | 90 | 18 |
| 7011CD/HCP4A | SKF | 55 | 90 | 18 |
| S7011ACB/P4A | SKF | 55 | 90 | 18 |
| 7011CE/P4AH1 | SKF | 55 | 90 | 18 |
| N1011KTN/HC5SP | SKF | 55 | 90 | 18 |
| N1011KTNHA/HC5SP | SKF | 55 | 90 | 18 |
| 6011/HR22T2 | SKF | 55 | 90 | 18 |
| 6011-2Z | SKF | 55 | 90 | 18 |
| 6011/HR11TN | SKF | 55 | 90 | 18 |
| 6011NR | SKF | 55 | 90 | 18 |
| 6011-Z/W64 | SKF | 55 | 90 | 18 |
| 7011CE/P4AL | SKF | 55 | 90 | 18 |






