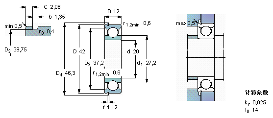
SKF 6004NR尺寸参数
- 主要尺寸
- 6004 NR *
- 20
- mm
- D
- 42
- mm
- B
- 12
- mm
- 基本额定载荷
- C
- 9950
- N
- 动载荷
- C0
- 5000
- N
- 静载荷
- 疲劳载荷极限
- Pu
- 212
- N
- 额定转速
- 参考转速
- 38000
- r/min
- 极限转速
- 24000
- r/min
- 重量
- 重量
- 69
- g
- 型号
- * SKF 探索者轴承
- 6004 NR *
- -
- * SKF 探索者轴承
- SP 42
- -
SKF 6004NR相关型号
| SKF型号 | 品牌 | 内径(mm) | 外径(mm) | 厚度(mm) |
| 7004ACD/P4A | SKF | 20 | 42 | 12 |
| W6004 | SKF | 20 | 42 | 12 |
| 6004N | SKF | 20 | 42 | 12 |
| 6004NR | SKF | 20 | 42 | 12 |
| 6004-2Z/VA208 | SKF | 20 | 42 | 12 |
| 7004CE/P4AL | SKF | 20 | 42 | 12 |
| 6004-2RSH/W64 | SKF | 20 | 42 | 12 |
| 7004ACE/P4A | SKF | 20 | 42 | 12 |
| 6004-2RSH | SKF | 20 | 42 | 12 |
| 7004ACE/HCP4A | SKF | 20 | 42 | 12 |
| 7004ACE/HCP4AL1 | SKF | 20 | 42 | 12 |
| 7004CE/P4AH1 | SKF | 20 | 42 | 12 |
| S7004CD/P4A | SKF | 20 | 42 | 12 |
| S7004CD/HCP4A | SKF | 20 | 42 | 12 |
| 7004CE/HCP4AL1 | SKF | 20 | 42 | 12 |
| 7004CE/HCP4A | SKF | 20 | 42 | 12 |
| S7004ACE/HCP4A | SKF | 20 | 42 | 12 |
| S7004CE/P4A | SKF | 20 | 42 | 12 |
| 6004-2RSLTN9/HC5C3WT | SKF | 20 | 42 | 12 |
| S7004ACD/P4A | SKF | 20 | 42 | 12 |






