SKF 6004-2ZNR尺寸参数
- 主要尺寸
- 6004-2ZNR *
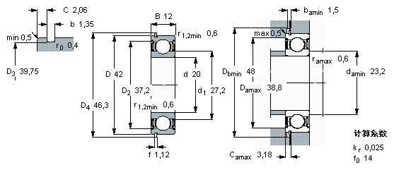
- 20
- mm
- D
- 42
- mm
- B
- 12
- mm
- 基本额定载荷
- C
- 9950
- N
- 动载荷
- C0
- 5000
- N
- 静载荷
- 疲劳载荷极限
- Pu
- 212
- N
- 额定转速
- 参考转速
- 38000
- r/min
- 极限转速
- 19000
- r/min
- 重量
- 重量
- 69
- g
- 型号
- * SKF 探索者轴承
- 6004-2ZNR *
- -
- * SKF 探索者轴承
- SP 42
- -
SKF 6004-2ZNR相关型号
| SKF型号 | 品牌 | 内径(mm) | 外径(mm) | 厚度(mm) |
| W6004-2Z | SKF | 20 | 42 | 12 |
| 7004ACE/HCP4AH1 | SKF | 20 | 42 | 12 |
| 7004ACD/P4A | SKF | 20 | 42 | 12 |
| 6004/HR22T2 | SKF | 20 | 42 | 12 |
| 6004-2RSH | SKF | 20 | 42 | 12 |
| 7004ACD/HCP4AH | SKF | 20 | 42 | 12 |
| 6004/W64 | SKF | 20 | 42 | 12 |
| 7004ACE/HCP4A | SKF | 20 | 42 | 12 |
| 7004CE/HCP4AL1 | SKF | 20 | 42 | 12 |
| 6004-RSL | SKF | 20 | 42 | 12 |
| S7004CD/P4A | SKF | 20 | 42 | 12 |
| 7004ACE/HCP4AL | SKF | 20 | 42 | 12 |
| 6004-RSH | SKF | 20 | 42 | 12 |
| 6004-Z | SKF | 20 | 42 | 12 |
| S7004CE/HCP4A | SKF | 20 | 42 | 12 |
| 6004N | SKF | 20 | 42 | 12 |
| E2.6004-2Z/C3 | SKF | 20 | 42 | 12 |
| 7004ACE/P4AL | SKF | 20 | 42 | 12 |
| 7004CD/P4A | SKF | 20 | 42 | 12 |
| 6004-Z/W64 | SKF | 20 | 42 | 12 |






