SKF 540VER尺寸参数
- 主要尺寸
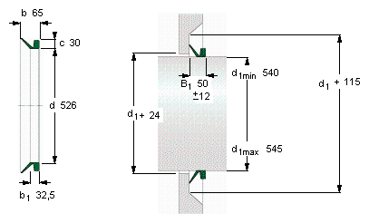
- d1从-到
- 540-545
- mm
- 从
- 526
- mm
- b1
- 32.5
- mm
- b
- 65
- mm
- c
- 30
- mm
- 说明
- 设计
- VR4/VE
- -
- 密封唇材料
- R
- -
- 型号
- 全球有效
- 540 VE R
- -
- 说明
- 北美市场
- 405403
- -
- **请核查供货情况
- **
SKF 540VER相关型号
| SKF型号 | 品牌 | 内径(mm) | 外径(mm) | 厚度(mm) |
| SNL616TURU | SKF | |||
| 22216EK | SKF | |||
| 19x32x7HMSA10V | SKF | |||
| 99369 | SKF | |||
| FY13/16TF | SKF | |||
| 75052 | SKF | |||
| SNL3056 | SKF | |||
| 14966 | SKF | |||
| 50620 | SKF | |||
| 4938 | SKF | |||
| 22312E | SKF | |||
| OKCS214 | SKF | |||
| 30x55x10HMSA10RG | SKF | |||
| 6x16x7HMS5RG | SKF | |||
| 1000111 | SKF | |||
| 50X82X8CRWA1R | SKF | |||
| 21069 | SKF | |||
| 22244CCK/W33 | SKF | |||
| 13478 | SKF | |||
| 36x47x7HMS5RG | SKF |






