SKF 50VAV尺寸参数
- 主要尺寸
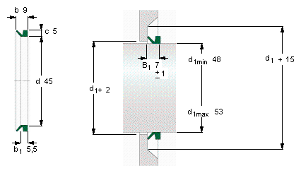
- d1从-到
- 48-53
- mm
- 从
- 45
- mm
- b1
- 5.5
- mm
- b
- 9
- mm
- c
- 5
- mm
- 说明
- 设计
- VR1/VA
- -
- 密封唇材料
- V
- -
- 型号
- 全球有效
- 50 VA V
- -
- 说明
- 北美市场
- 400504
- -
- **请核查供货情况
- -
SKF 50VAV相关型号
| SKF型号 | 品牌 | 内径(mm) | 外径(mm) | 厚度(mm) |
| YET203-010 | SKF | |||
| 42427 | SKF | |||
| YET204 | SKF | |||
| FSNL522-619 | SKF | |||
| 19x32x7HMSA10RG | SKF | |||
| 25x45x8HMS5V | SKF | |||
| 35X68X8CRW1V | SKF | |||
| SYM1.3/4TF | SKF | |||
| 41171 | SKF | |||
| SNL3088FTURT | SKF | |||
| SYE1.1/2H-3 | SKF | |||
| 37X58X13CRSH11R | SKF | |||
| SNL3176GL | SKF | |||
| 12830 | SKF | |||
| 22x62x6HMS5V | SKF | |||
| 3300342 | SKF | |||
| 30X62X7CRW1R | SKF | |||
| SYNT80LTF | SKF | |||
| SY1/2TF | SKF | |||
| 30x52x8HMS5V | SKF |






