SKF 450VLR尺寸参数
- 主要尺寸
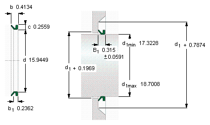
- d1从-到
- 440-475
- mm
- 从
- 405
- mm
- b1
- 6
- mm
- b
- 10.5
- mm
- c
- 6.5
- mm
- 说明
- 设计
- VR3/VL
- -
- 密封唇材料
- R
- -
- 型号
- 全球有效
- 450 VL R
- -
- 说明
- 北美市场
- 404502
- -
- **请核查供货情况
- -
SKF 450VLR相关型号
| SKF型号 | 品牌 | 内径(mm) | 外径(mm) | 厚度(mm) |
| 8x24x7HMSA10V | SKF | |||
| 33735 | SKF | |||
| 86798 | SKF | |||
| 85X105X12HMSA10RG | SKF | |||
| OKBS98 | SKF | |||
| 22238CCK/W33 | SKF | |||
| 16719 | SKF | |||
| 99340 | SKF | |||
| OKBS58 | SKF | |||
| 98444 | SKF | |||
| 23655 | SKF | |||
| 7517 | SKF | |||
| 4623 | SKF | |||
| 22x40x10HMSA10RG | SKF | |||
| 9664 | SKF | |||
| 160VAV | SKF | |||
| 86405 | SKF | |||
| 1450VRMER | SKF | |||
| MVR2-100 | SKF | |||
| 230X269X22HS5R | SKF |






